logo
CENO Electronics Technology Co.,Ltd
E-mail inquiry@ceno360.com Telefone: 86-755-23420945

Junção rotativa de radiofrequência com faixa de frequência DC-67GHz para antena de radar

Junção giratória da radiofrequência
2025-11-19
882 opiniões
Contacte agora
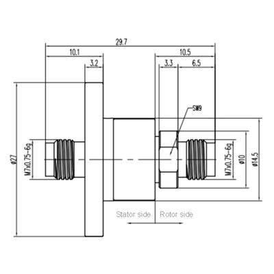
Junta Rotativa de Radiofrequência com Faixa de Frequência DC-67GHz para Antena de Radar RCN0167C é uma junta rotativa RF de canal único CENO com faixa de frequência DC a 67GHz. As anéis coletores RF s... Veja mais
Mensagens do visitante Deixe uma mensagem
Junção rotativa de radiofrequência com faixa de frequência DC-67GHz para antena de radar
Junção rotativa de radiofrequência com faixa de frequência DC-67GHz para antena de radar
Contacte agora
Saiba Mais
Vídeos relacionados
Integrar RF Slip Ring com Encoder Ethernet Signal e Radio Frequency Rotary Joint 00:16
Integrar RF Slip Ring com Encoder Ethernet Signal e Radio Frequency Rotary Joint

Integrar RF Slip Ring com Encoder Ethernet Signal e Radio Frequency Rotary Joint

Junção giratória da radiofrequência
2026-03-18
Anel de deslizamento RF de baixa temperatura de potência integrada com articulação rotativa de radiofrequência 00:19
Anel de deslizamento RF de baixa temperatura de potência integrada com articulação rotativa de radiofrequência

Anel de deslizamento RF de baixa temperatura de potência integrada com articulação rotativa de radiofrequência

Junção giratória da radiofrequência
2026-03-17
Junta Rotativa de Radiofrequência de Canal Único com Anel Deslizante de RF para Baixa Temperatura 00:30
Junta Rotativa de Radiofrequência de Canal Único com Anel Deslizante de RF para Baixa Temperatura

Junta Rotativa de Radiofrequência de Canal Único com Anel Deslizante de RF para Baixa Temperatura

Junção giratória da radiofrequência
2026-03-16
3 RF Rotary Joint Low Temperature Integrar Potência e Anel de Deslizamento de Radiofrequência 00:21
3 RF Rotary Joint Low Temperature Integrar Potência e Anel de Deslizamento de Radiofrequência

3 RF Rotary Joint Low Temperature Integrar Potência e Anel de Deslizamento de Radiofrequência

Junção giratória da radiofrequência
2026-01-20
Força integrada de baixa temperatura e radiofrequência Anel de deslizamento combinado de articulação rotativa de RF 00:21
Força integrada de baixa temperatura e radiofrequência Anel de deslizamento combinado de articulação rotativa de RF

Força integrada de baixa temperatura e radiofrequência Anel de deslizamento combinado de articulação rotativa de RF

Junção giratória da radiofrequência
2026-01-20
2 canais de radiofrequência articulação rotativa com RF Slip Ring traje de baixa temperatura 00:20
2 canais de radiofrequência articulação rotativa com RF Slip Ring traje de baixa temperatura

2 canais de radiofrequência articulação rotativa com RF Slip Ring traje de baixa temperatura

Junção giratória da radiofrequência
2026-01-20
4 canais RF articulação rotativa combinada de energia elétrica anel de deslizamento em baixa temperatura 00:25
4 canais RF articulação rotativa combinada de energia elétrica anel de deslizamento em baixa temperatura

4 canais RF articulação rotativa combinada de energia elétrica anel de deslizamento em baixa temperatura

Junção giratória da radiofrequência
2025-11-19
2 canais RF articulação rotativa combinada de energia elétrica e sinal para radar 00:22
2 canais RF articulação rotativa combinada de energia elétrica e sinal para radar

2 canais RF articulação rotativa combinada de energia elétrica e sinal para radar

Junção giratória da radiofrequência
2025-11-19
Integração de energia elétrica Ethernet e RF Slip Ring com Radio Frequency Rotary Union 00:21
Integração de energia elétrica Ethernet e RF Slip Ring com Radio Frequency Rotary Union

Integração de energia elétrica Ethernet e RF Slip Ring com Radio Frequency Rotary Union

Junção giratória da radiofrequência
2025-09-12
Baixa temperatura integrar energia elétrica Ethernet & RF Rotary união anel de deslizamento 00:21
Baixa temperatura integrar energia elétrica Ethernet & RF Rotary união anel de deslizamento

Baixa temperatura integrar energia elétrica Ethernet & RF Rotary união anel de deslizamento

Junção giratória da radiofrequência
2025-09-12
Integração de energia elétrica e anel de deslizamento de radiofrequência com articulação rotativa RF 00:19
Integração de energia elétrica e anel de deslizamento de radiofrequência com articulação rotativa RF

Integração de energia elétrica e anel de deslizamento de radiofrequência com articulação rotativa RF

Junção giratória da radiofrequência
2025-08-28
Anel de deslizamento de articulação rotativa de baixa temperatura integrada com sinal Ethernet 1000M 00:48
Anel de deslizamento de articulação rotativa de baixa temperatura integrada com sinal Ethernet 1000M

Anel de deslizamento de articulação rotativa de baixa temperatura integrada com sinal Ethernet 1000M

Junção giratória da fibra óptica
2024-01-04
Anel de deslizamento com 2 canais CPRG187G Frequência de rádio Junção rotativa 00:29
Anel de deslizamento com 2 canais CPRG187G Frequência de rádio Junção rotativa

Anel de deslizamento com 2 canais CPRG187G Frequência de rádio Junção rotativa

Junção giratória da radiofrequência
2025-08-28
3 canais de radiofrequência articulação rotativa com anel de deslizamento de RF para antena de radar 00:36
3 canais de radiofrequência articulação rotativa com anel de deslizamento de RF para antena de radar

3 canais de radiofrequência articulação rotativa com anel de deslizamento de RF para antena de radar

Junção giratória da radiofrequência
2024-07-30
Anel Coletor com Escova de Carbono e Furo Passante 60mm 8 Circuitos e Carcaça de Liga de Alumínio para Aplicações Industriais 00:25
Anel Coletor com Escova de Carbono e Furo Passante 60mm 8 Circuitos e Carcaça de Liga de Alumínio para Aplicações Industriais

Anel Coletor com Escova de Carbono e Furo Passante 60mm 8 Circuitos e Carcaça de Liga de Alumínio para Aplicações Industriais

anel deslizante industrial
2026-04-27